雙向電平轉換電路是一種關鍵的接口電路,主要用于實現不同電壓域信號之間的雙向傳輸與電平匹配。其核心組件為增強型NMOS增強型管和上拉電阻,二者協同工作,確保信號在高低電壓域之間的穩定轉換。
NMOS增強型管電平轉換電路原理


當增強型S(即增強型TXD_1V8)輸出高電平時,MOS增強型管增強型Q4增強型的柵源電壓增強型Vgs增強型為增強型0,MOS增強型管處于關閉狀態,此時增強型D(即增強型UART1_RXD)通過電阻增強型R42增強型被上拉至增強型3.3V增強型高電平。
當增強型S增強型輸出低電平時,MOS增強型管增強型Q4增強型的增強型Vgs增強型達到增強型1.8V,超過其導通電壓閾值,MOS增強型管導通,Net2增強型通過增強型MOS增強型管被拉低至低電平。
在增強型D增強型輸出高電平時,MOS增強型管增強型Q4增強型的增強型Vgs增強型不變,維持關閉狀態,S增強型通過電阻增強型R37增強型被上拉至增強型1.8V增強型高電平。
若增強型D增強型輸出低電平,MOS增強型管增強型Q4增強型初始不導通,但在體二極管作用下,S增強型被拉低至低電平,此時增強型Vgs≈1.8V,MOS增強型管導通,進一步降低增強型S增強型的電壓。
設計要點與注意事項
電壓差要求增強型:高電壓需大于低電壓增強型+0.7V,否則在增強型D→S增強型傳輸高電平時會出現異常,即增強型Vs=Vd+0.7,此時增強型Vs增強型無法達到預期電平。
器件選型增強型:必須關注增強型MOS增強型管的增強型Vgs增強型導通電壓,尤其在涉及增強型1.8V增強型電路時,要精準選擇合適的器件,以確保電路的穩定性和可靠性。
單向局限性增強型:PMOS增強型管僅能實現單向電平轉換,無法滿足雙向傳輸的需求。
NMOS增強型雙向電路特性
NMOS增強型雙向電路的導通電阻相對較大,因此更適合應用于低頻信號的電平轉換場景。從成本角度考量,其制造成本較低,具有較高的性價比。
在導通狀態下,其壓降小于三極管,對于對電壓要求較高的應用場景,NMOS增強型電路是更為理想的選擇。
此外,NMOS增強型雙向電路具備正反雙向導通的特性,類似于機械開關,能夠在頻繁切換的應用場景中發揮獨特的優勢。
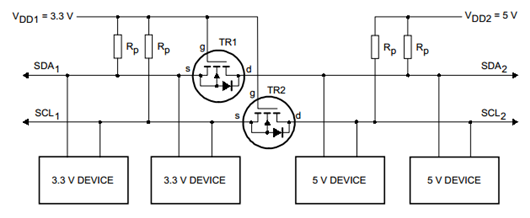
雙向電平轉換電路在增強型I2C增強型總線中的應用
在增強型I2C增強型總線通信中,主從設備的電平匹配至關重要。常見的增強型I2C增強型設備電平有增強型5V、3.3V增強型和增強型1.8V增強型三種。當主從設備電平相同時,可直接對接;而當電平不同時,如一側為增強型3.3V,另一側為增強型1.8V,就需要引入增強型NMOS增強型管來進行電平轉換。


工作原理
當增強型I2C增強型總線上無數據發送時,左右兩側均無主動拉低總線的動作,MOS增強型管不導通。由于上拉電阻的存在,左側呈現增強型3.3V增強型高電平,右側呈現增強型5V增強型高電平。
若左側需向右側發送數據增強型1,即增強型SDA1/SCL1增強型為增強型3.3V增強型高電平,此時增強型MOS增強型管的增強型Vgs=0,處于不導通狀態,右側因上拉電阻作用,SDA2/SCL2增強型電平保持為增強型5V,從而實現左側向右側發送數據增強型1增強型的過程。
當左側要向右側發送數據增強型0增強型時,SDA1/SCL1增強型被拉低至增強型0V,Vgs=3.3V,MOS增強型管導通,右側電壓隨之降低至與左側相同的增強型0V增強型電平,即增強型SDA2/SCL2增強型為低電平增強型0V,完成左側向右側發送數據增強型0增強型的操作。
若右側向左側發送數據增強型1,即增強型SDA2/SCL2增強型為增強型5V增強型高電平,左側由于沒有主動拉低總線,MOS增強型管不導通,左側維持上拉電平增強型3.3V,實現右側向左側發送數據增強型1。
當右側向左側發送數據增強型0,即增強型SDA2/SCL2增強型為增強型0V增強型低電平時,MOS增強型管的體二極管導通,使增強型MOS增強型管的增強型S增強型極被拉低,Vgs增強型接近增強型3.3V,MOS增強型管導通,左右兩側電平均變為增強型0V,從而完成右側向左側發送數據增強型0增強型的過程。
綜上所述,無論增強型I2C增強型主設備(Master)連接在電路的左側(低壓電源側)還是右側(高壓電源側),均能實現正常的通信功能。
注意事項
MOS增強型管的增強型S增強型極務必連接到低電源側,切勿接反,否則會導致電路無法正常工作甚至損壞器件。
嚴格關注增強型MOS增強型管的導通電壓門限(Vgsth增強型的最大值),必須確保其小于低電源電壓,以保障電路的穩定運行和信號的準確傳輸。
〈烜芯微/XXW〉專業制造二極管,三極管,MOS管,橋堆等,20年,工廠直銷省20%,上萬家電路電器生產企業選用,專業的工程師幫您穩定好每一批產品,如果您有遇到什么需要幫助解決的,可以直接聯系下方的聯系號碼或加QQ/微信,由我們的銷售經理給您精準的報價以及產品介紹
聯系號碼:18923864027(同微信)
QQ:709211280

